Подкладка Д65, ДН65
| Назначение: | для крепления рельсов типа P-65 к деревянным шпалам на участках ЖД пути. |
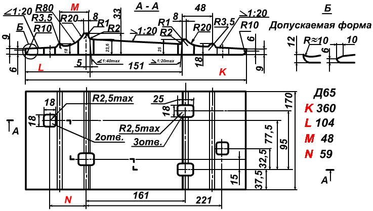
| Габариты/размеры: | (д/ш/в), мм: 360x170x33 (Д65), 380x170x33 (ДН65). |
| Масса: | 7,66 кг. (Д65) / 7,83 кг. (ДН65) |
| Ед.изм.: | т (Количество в 1 тонне 130 шт. (Д65) / 127 шт. (ДН65)) |
| Материал: | Профильные пластины из углеродистой стали. (Марка стали: Ст3кп, Ст3пс, Ст3сп, Ст4кп, Ст4пс, Ст4сп) |
| ГОСТ / ТУ: | ГОСТ 8194-75 (3280-84) |
| Производитель: | Россия |
Подкладка Д65 и ДН65 для костыльного скрепления: входят в комплект узла костыльного скрепления на деревянных шпалах для рельсов типа Р65.
| Подкладки Д65 и ДН65 костыльного скрепления крепятся к деревянной шпале путевыми костылями 16х16х165, и крепление рельса Р-65 к подкладкам осуществляется при помощи этих же путевых костылей 16х16х165. B сборе костыльное скрепление представляет собой прочную и устойчивую конструкцию на участках ЖД пути. |



