Накладка 1Р-65
| Назначение: | для соединения рельсов типа P-65 в зоне стыка. |
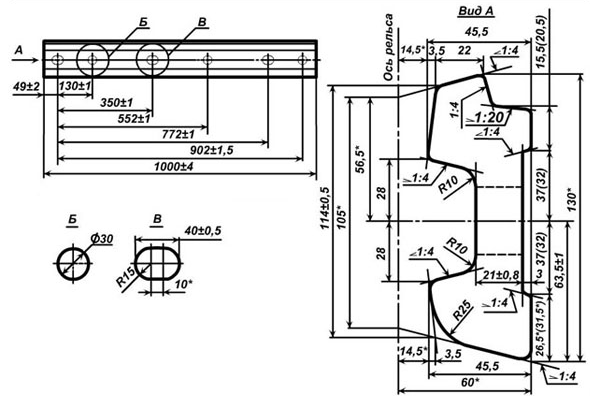
| Габариты/размеры: | (д/ш/в), мм: 1000x45,5x130 |
| Масса: | 29.5 кг. |
| Ед.изм.: | т (Количество в 1 тонне 34 шт) |
| Материал: | Сталь. (Марка стали: М54) |
| ГОСТ / ТУ: | ГОСТ 8193-73 |
| Производитель: | Россия |
Накладка 1Р-65 относится к болтовому скреплению.
Предназначена для соединения рельсов типа P-65 в зоне стыка. Накладки имеют шесть крепежных отверстий (три отверстия d-30 мм и три отверстия 40х30 мм под Болт стыковой М27х160.), вследствии чего, обеспечивается надежное закрепление рельсов.
Предназначена для соединения рельсов типа P-65 в зоне стыка. Накладки имеют шесть крепежных отверстий (три отверстия d-30 мм и три отверстия 40х30 мм под Болт стыковой М27х160.), вследствии чего, обеспечивается надежное закрепление рельсов.
| Накладки 1Р-65 устанавливаются на внешней и внутренней стороне шейки рельсов в точке стыка и закрепляются стыковыми болтами М27х160. |


