Накладка 1Р-50
| Назначение: | для соединения рельсов типа P-50 в зоне стыка. |
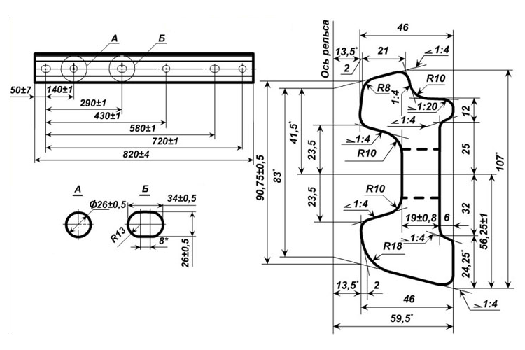
| Габариты/размеры: | (д/ш/в), мм: 820x46x107 |
| Масса: | 18.77 кг. |
| Ед.изм.: | т (Количество в 1 тонне 53 шт) |
| Материал: | Сталь. (Марка стали: М54) |
| ГОСТ / ТУ: | ГОСТ 16277-93 |
| Производитель: | Россия |
Накладка 1Р-50 относится к болтовому скреплению.
Предназначена для соединения рельсов типа P-50 в зоне стыка. Накладки имеют шесть крепежных отверстий (три отверстия d-26 мм и три отверстия 34х26 мм под Болт стыковой М24х150.), вследствии чего, обеспечивается надежное закрепление рельсов.
Предназначена для соединения рельсов типа P-50 в зоне стыка. Накладки имеют шесть крепежных отверстий (три отверстия d-26 мм и три отверстия 34х26 мм под Болт стыковой М24х150.), вследствии чего, обеспечивается надежное закрепление рельсов.
| Накладки 1Р-50 устанавливаются на внешней и внутренней стороне шейки рельсов в точке стыка и закрепляются стыковыми болтами М24х150. |


