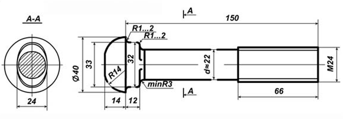
Болт стыковой М24х150

Назначение:для надежного скрепления элементов железнодорожного пути.
Габариты/размеры:(д/ш/в), мм: 164x40x24
Масса:0.585 кг.
Ед.изм.:т (Количество в 1 тонне 1709 шт)
Материал:Сталь. (Марка стали: 35, 20.)
ГОСТ / ТУ:ГОСТ 11530-93
Производитель:Россия
Болт стыковой М24х150.
Болт стыковой М24х150 предназначен для скрепления, двухголовыми накладками 1Р-50, стыков рельсов марки Р-50.
По желанию заказчика комплектация: 1) Болт стыковой М24х150, 2) Гайка М24, 3) Шайба одновитковая М24.