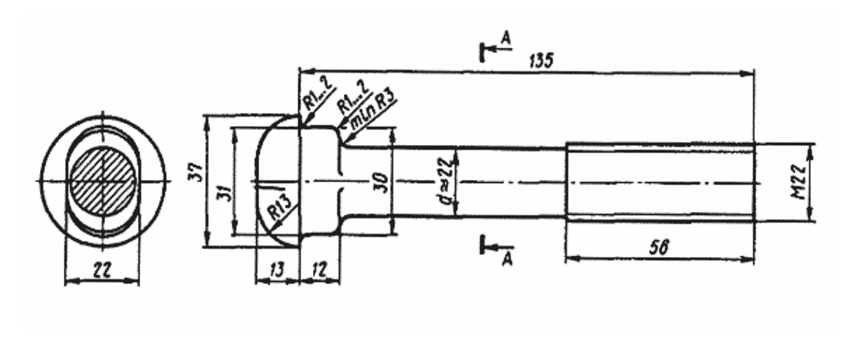
Болт стыковой М22х135 в сборе

Назначение:для надежного скрепления элементов железнодорожного пути.
Габариты/размеры:(д/ш/в), мм: 148х37х22
Масса:0.620 кг.
Ед.изм.:т (Количество в 1 тонне 1613 шт)
Материал:Сталь. (Марка стали: 35, 20.)
ГОСТ / ТУ:ГОСТ 11530-93
Производитель:Россия
Болт стыковой М22х135 в сборе.
Болт стыковой М22х135 в сборе предназначен для скрепления, двухголовыми накладками 1Р-43, стыков рельсов марки Р-43.
В сборе: 1) Болт стыковой М22х135, 2) Гайка М22, 3) Шайба одновитковая М22.